
Séria Dantherm HCV (300, 400, 460, 500, 700) sú rekuperačné ventilačné jednotky (MVHR) s tepelnou účinnosťou nad 90 %. TapHome sa pripája priamo k jednotke cez Modbus TCP po Ethernete — žiadna dodatočná brána nie je potrebná.
Šablóna poskytuje riadenie prevádzkového režimu, nastavenie úrovne ventilátorov (0–4), monitorovanie otáčok ventilátorov, čítanie vonkajšej teploty a dedikované prepínače pre režimy Away a Fireplace.
Sieťové pripojenie
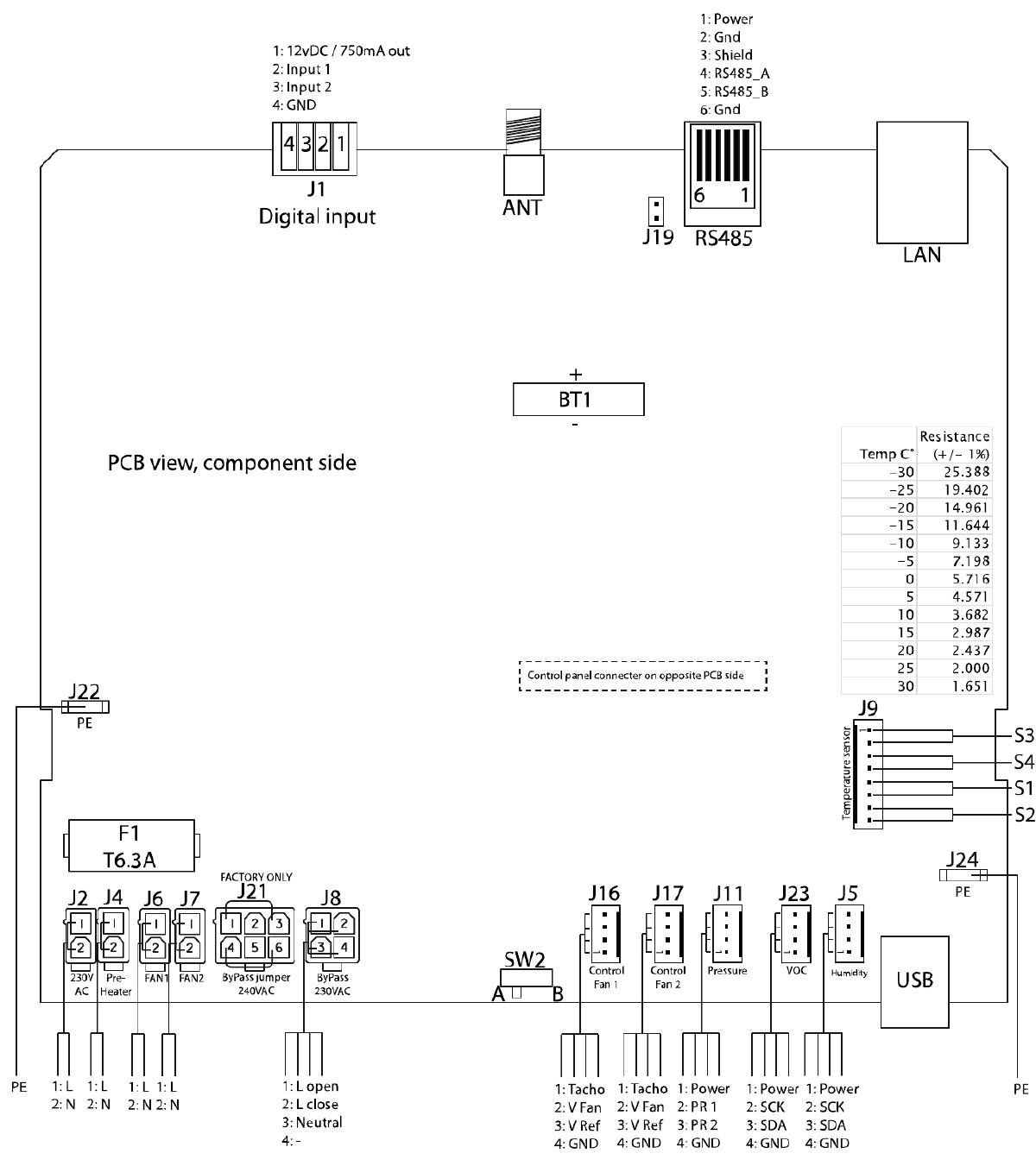
Jednotka HCV má na hlavnej doske PCB port RJ45 (LAN). Pripojte ju do rovnakej lokálnej siete ako TapHome Core pomocou štandardného ethernetového kábla.
- Protokol: Modbus TCP
- Port: 502
- Predvolené Slave ID: 1
- Poradie bajtov: Little-endian (word swap)
Port RS-485 (J19) na doske PCB je vyhradený výlučne pre interné príslušenstvo Dantherm. Externé systémy ako TapHome musia používať port Ethernet/LAN pre komunikáciu Modbus TCP.
Konektory na doske PCB

Kľúčové konektory pre integráciu s TapHome:
| Konektor | Funkcia |
|---|---|
| LAN | Ethernet — komunikácia Modbus TCP s TapHome |
| J19 | RS-485 — iba interné príslušenstvo Dantherm |
| J1 | Digitálne vstupy — externé prepísanie rýchlosti ventilátorov (voliteľné) |
| USB | Servisné pripojenie pre PC Tool |
Konfigurácia
Na jednotke HCV nie je potrebná žiadna špeciálna konfigurácia. Port Ethernet je štandardne aktívny s Modbus TCP na porte 502.
Pri importe šablóny v TapHome zadajte:
- IP adresa — IP adresa jednotky v lokálnej sieti (predvolená: 192.168.0.1)
- Slave ID — adresa Modbus slave (predvolená: 1)
Priraďte jednotke HCV statickú IP adresu v nastaveniach DHCP smerovača, aby sa adresa nemenila po výpadku napájania.
Možnosti zariadenia
Šablóna sprístupňuje nasledujúce zariadenia:
Riadenie prevádzkového režimu
K dispozícii sú dve zariadenia pre nastavenie režimu:
- Mode (prepínač s viacerými hodnotami) — výber z: Standby, Demand, Manual, Week Program, Away, Fireplace, Summer. Používa register H:168 s kódovaním bitmask pre čítanie aj zápis.
- Mode (číselná premenná) — číta aktuálny režim ako číselnú hodnotu z H:168 a zapisuje do H:170. Vhodné pre automatizačné pravidlá vyžadujúce číselné hodnoty režimu.
- Current State — senzor len na čítanie zobrazujúci aktívny prevádzkový režim z registra H:472. Odráža skutočne bežiaci režim vrátane systémom iniciovaných stavov ako Defrost.
Riadenie ventilátorov
- Ventilation (prepínač s viacerými hodnotami) — úroveň ventilátora 0–4 cez register H:324. Úroveň 0 vypína ventilátory, úrovne 1–4 zodpovedajú rastúcemu prietoku vzduchu.
- RPM Fan 1 / RPM Fan 2 — senzory len na čítanie zobrazujúce skutočné otáčky ventilátorov v RPM z registrov H:100 a H:102 (LittleEndianFloat).
Rýchle prepínače režimov
- Režim mimo domu — prepínač pre režim Away (bitmask 0x10 na registri H:168)
- Režim krb — prepínač pre režim Fireplace (bitmask 0x40 na registri H:168). Režim krbu vytvára pretlak zvýšením prívodu vzduchu v porovnaní s odvodom.
Monitorovanie teplôt
Šablóna zahŕňa čítanie vonkajšej teploty z registra H:132 (LittleEndianFloat). Jednotka HCV meria interne až 5 teplôt — v šablóne je momentálne zahrnutá iba T1:
| Register | Senzor | Popis | V šablóne |
|---|---|---|---|
| H:132 | T1 | Teplota vonkajšieho vzduchu | Áno |
| H:134 | T2 | Teplota privádzaného vzduchu | Nie |
| H:136 | T3 | Teplota odvádzaného vzduchu | Nie |
| H:138 | T4 | Teplota odpadového vzduchu | Nie |
| H:140 | Room | Teplota v miestnosti (voliteľný senzor) | Nie |
Priradenie teplotných senzorov závisí od prepínača prevádzkového režimu (A/B) na doske PCB. V režime B je fyzické mapovanie senzorov prehodené — S1 číta odvádzaný vzduch namiesto vonkajšieho. Overte, že poloha prepínača zodpovedá inštalácii.
Ďalšie možnosti zariadenia
Jednotky HCV tiež sprístupňujú Modbus registre pre správu filtra (zostatok dní, životnosť, reset), stav bypass klapky, monitorovanie vlhkosti (s voliteľným RH senzorom), stav alarmu a úrovne CO2 (s voliteľným CO2 senzorom cez HAC controller). Tieto je možné pridať do šablóny TapHome v budúcej aktualizácii.
Riešenie problémov
Žiadna komunikácia Modbus
- Overte, že ethernetový kábel je zapojený do portu LAN (nie USB alebo J19)
- Potvrďte IP adresu jednotky — skontrolujte tabuľku DHCP pridelení v smerovači
- Uistite sa, že TapHome Core a jednotka HCV sú v rovnakej sieti/podsieti
- Skontrolujte, či firewall neblokuje port 502
Zmeny režimu sa neaplikujú
Jednotka ignoruje príkazy na zápis režimu počas Defrosta. Počkajte na dokončenie cyklu defrostu pred zmenou režimov. Aktuálny stav (H:472) zobrazí hodnotu 15 počas aktívneho defrosta.
Nesprávne hodnoty teplôt
Skontrolujte polohu prepínača prevádzkového režimu A/B na doske PCB (SW2). Mapovanie senzor-register sa líši medzi režimom A a režimom B — nesprávna poloha prepínača zobrazí prehodené hodnoty teplôt.
