
Carlo Gavazzi EM340F je trojfázový obojsmerný elektromer na DIN lištu s priamym pripojením do 65 A. Komunikuje cez Modbus RTU po RS-485 a poskytuje samostatné počítadlá energie výroby (export) a spotreby (import) pre každú fázu, čo ho predurčuje pre solárne a prosumerské inštalácie, kde energia tečie v oboch smeroch.
Šablóna TapHome číta 8 parametrov pokrývajúcich počítadlá energie per-fáza a celkové počítadlá pre výrobu aj spotrebu, plus celkový odber výkonu systému. Všetky hodnoty používajú formát INT32 s deliacim faktorom 20 000 na prevod z natívnej reprezentácie merača na kWh a kW.
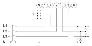
Hardvérové zapojenie
Silové pripojenie
EM340 podporuje tri typy zapojenia. Zvoľte schému, ktorá zodpovedá vašej inštalácii:
Trojfázová 4-vodičová sústava (3Pn) — s nulovým vodičom:

Trojfázová 3-vodičová sústava (3P) — bez nulového vodiča:

Zapojenie RS-485
EM340 používa 2-vodičové rozhranie RS-485 so svorkami A-, B+ a dedikovanou svorkou T na ukončenie zbernice na poslednom prístroji v reťazci.

- A- (Data-) — pripojiť na B-/D- TapHome RS-485
- B+ (Data+) — pripojiť na A+/D+ TapHome RS-485
- T (Terminácia) — prepojiť A- s T na poslednom merači v reťazci
| Parameter | Hodnota |
|---|---|
| Rozhranie | RS-485, 2-vodičové, half-duplex |
| Kábel | AWG24 symetrický pár, odporúča sa tienený, tretí vodič pre GND |
| Max. dĺžka kábla | 1000 m (pri záťaži 1/5 jednotky, pre väčšie vzdialenosti opakovač signálu) |
| Max. zariadení na zbernici | 247 |
| Ukončenie | 120 ohmový rezistor na oboch koncoch zbernice; EM340 má vstavaný terminačný člen cez prepojenie A- na T na poslednej jednotke |
| Topológia | Iba daisy chain |
Dávajte pozor na označenie svoriek: Carlo Gavazzi používa A- pre Data- a B+ pre Data+. Pripojte A- na TapHome B-/D- a B+ na TapHome A+/D+. Zamenená polarita je častou príčinou zlyhania komunikácie.
GND sa pripája na uzemnenie iba na strane mastera. Pre spoje dlhšie ako 1000 m alebo siete s viac ako 160 prístrojmi použite opakovač signálu.
Konfigurácia
Sériové nastavenia Modbus
Komunikačné parametre sa konfigurujú cez predný panel merača v menu parametrov (P14–P16) alebo cez Modbus registre:
| Parameter | Predvolená hodnota | Modbus register |
|---|---|---|
| Rýchlosť prenosu | 9600 | H:2001 (hodnoty: 1=9600, 2=19200, 3=38400, 4=57600, 5=115200) |
| Parita | Žiadna | H:2002 (1=žiadna, 2=párna) |
| Stop bity | 1 | H:2003 (0=1 stop, 1=1 stop predvolene, 2=2 iba ak je parita párna) |
| Adresa slave | 1 (rozsah 1–247) | H:2000 |
Parameter SlaveId šablóny TapHome musí zodpovedať nakonfigurovanej adrese na merači.
Režim merania
EM340F podporuje obojsmerné meranie (model PFB), ktoré sleduje smer toku energie. V obojsmernom režime:
- Kladné hodnoty výkonu = importovaný (spotrebovaný) činný výkon
- Záporné hodnoty výkonu = exportovaný (vyrobený) činný výkon
- Počítadlá kWh(+) sa zvyšujú pri importe energie
- Počítadlá kWh(-) sa zvyšujú pri exporte energie
Režim merania sa nastavuje cez register H:1103 (0=A, 1=B). Overte, že merač je nakonfigurovaný na režim merania B (obojsmerný), ak potrebujete samostatné sledovanie importu/exportu.
Typ sústavy
Konfigurácia sústavy sa nastavuje cez parameter predného panela P6 (SYSEM) alebo register H:1002:
| Typ sústavy | Kód | Popis |
|---|---|---|
| Trojfázová so stredným vodičom (3Pn) | 0 | Trojfázová 4-vodičová sústava — dostupné všetky merania |
| Trojfázová bez stredného vodiča (3P) | 1 | Trojfázová 3-vodičová sústava |
| Dvojfázová so stredným vodičom (2P) | 2 | Dvojfázová 3-vodičová sústava |
Heslo
Konfiguračné parametre sú chránené heslom. Predvolené heslo je 0000. Zadajte heslo cez predný panel (P1) alebo zapíšte do registra H:1000 pred zmenou nastavení.
Možnosti zariadenia
Meranie energie výroby (export)
Šablóna obsahuje dedikované zariadenie elektrometra (ModbusElectricityMeter) pre celkovú výrobu:
- Celková výroba — číta celkovú exportovanú činný energiu z registra H:274 (kWh) a celkový odber výkonu systému z registra H:282 (kW), oboje s konverzným faktorom ÷20 000
Tri ďalšie senzory sledujú energiu výroby per-fáza:
- Energia výroby L1 (kWh) — exportovaná činná energia fázy 1 z registra H:064
- Energia výroby L2 (kWh) — exportovaná činná energia fázy 2 z registra H:066
- Energia výroby L3 (kWh) — exportovaná činná energia fázy 3 z registra H:068
Meranie energie spotreby (import)
Druhé zariadenie elektrometra sleduje celkovú spotrebu:
- Celková spotreba — číta celkovú importovanú činný energiu z registra H:278 (kWh) a zdieľa register výkonu H:282 (kW) s meračom výroby
Tri senzory sledujú energiu spotreby per-fáza:
- Energia spotreby L1 (kWh) — importovaná činná energia fázy 1 z registra H:096
- Energia spotreby L2 (kWh) — importovaná činná energia fázy 2 z registra H:098
- Energia spotreby L3 (kWh) — importovaná činná energia fázy 3 z registra H:100
Formát dát a škálovanie
Všetky registre používajú formát INT32 s váhou hodnoty kWh*10 (surová hodnota je 10-násobok skutočných kWh). Šablóna aplikuje delič ÷20 000 na surovú hodnotu INT32, čo zohľadňuje násobenie ×10 aj ďalší faktor. Po inštalácii overte odčítania voči displeju merača.
Registre spotreby per-fáza (H:096–H:100) sú v komunikačnom protokole dokumentované ako „iba ET séria". Šablóna TapHome ich pre EM340F obsahuje — overte, že tieto registre vracajú platné dáta na vašom konkrétnom merači. Ak vracajú nulu, firmware merača nemusí podporovať rozklad spotreby per-fáza.
Ďalšie možnosti
EM340 sprístupňuje aj registre pre napätie per-fáza (L-N a L-L), prúd, činný/zdanlivý/jalový výkon, power factor, frekvenciu, celkové hodnoty systému, merania THD, energetické počítadlá podľa taríf (tarifa 1 a tarifa 2), čiastkové počítadlá energie (resetovateľné), špičkový odber, postupnosť fáz a hodiny prevádzky. Tieto môžu byť pridané v budúcej aktualizácii šablóny.
EM340 podporuje funkciu kontroly zapojenia (parameter P7 / InbALL), ktorá overuje správnosť zapojenia kontrolou sledu napätí a prúdových signálov. Aktivujte ju po inštalácii na potvrdenie správneho zapojenia merača.
Riešenie problémov
Žiadna komunikácia cez Modbus RTU
- Overte polaritu zapojenia RS-485: EM340 A- sa pripája na TapHome B-/D-, EM340 B+ sa pripája na TapHome A+/D+
- Skontrolujte ukončenie zbernice: prepojte A- s T na poslednom merači a zabezpečte terminačný rezistor 120 ohmov na strane TapHome
- Potvrďte zhodu sériových nastavení: 9600 baud, bez parity, 1 stop bit (predvolené)
- Overte adresu slave —
SlaveIdTapHome musí zodpovedať adrese merača (parameter P14 / register H:2000) - Skontrolujte časovanie Modbus: EM340 má reakčný čas 500 ms — zabezpečte, aby master povolil dostatočný timeout
Odčítania energie ukazujú nulu
- Skontrolujte režim merania — register H:1103 musí byť nastavený na B (obojsmerný) pre samostatné sledovanie importu/exportu
- Overte, že typ sústavy (P6 / H:1002) zodpovedá skutočnej schéme zapojenia
- Pre registre spotreby per-fáza (H:096–H:100): nemusia byť dostupné vo všetkých verziách firmwaru EM340F — skontrolujte, či merač zobrazuje spotrebu per-fáza na prednom paneli
- Potvrďte, že je pripojená skutočná záťaž alebo výroba a displej merača ukazuje nenulové hodnoty
Odčítania vyzerajú nesprávne alebo nesprávne škálované
- Šablóna používa konverziu ÷20 000. Ak sú odčítania presne 2× príliš vysoké alebo nízke, pomer CT/VT na merači nemusí byť nastavený na 1. Skontrolujte registre H:1003 (pomer CT) a H:1005 (pomer VT) — oba by mali byť 10 (= 1,0) pri priamom pripojení
- Porovnajte odčítanie TapHome s displejom predného panela merača a identifikujte nezrovnalosť škálovania
- Poradie slov pre hodnoty INT32 je LSW→MSW (najnižšie slovo prvé). Ak hodnoty vyzerajú poškodene, overte konfiguráciu poradia bajtov/slov
EM340 podporuje až 50 registrov na jeden Modbus request. Šablóna TapHome polluje 8 zariadení v intervale 1,5 sekundy, čo vyžaduje minimálnu šírku pásma zbernice.