
Il Carlo Gavazzi EM340F è un contatore di energia trifase bidirezionale su guida DIN con collegamento diretto fino a 65 A. Comunica tramite Modbus RTU su RS-485 e fornisce contatori di energia separati per la produzione (export) e il consumo (import) per fase, rendendolo adatto alle installazioni solari e prosumer in cui l’energia scorre in entrambe le direzioni.
Il template TapHome legge 8 parametri che coprono i contatori di energia per fase e totali sia per la produzione che per il consumo, più la richiesta di potenza del sistema. Tutti i valori usano il formato INT32 con un fattore di divisione di 20.000 per convertire dalla rappresentazione intera scalata nativa del contatore in kWh e kW.
Connessione hardware
Collegamento di potenza
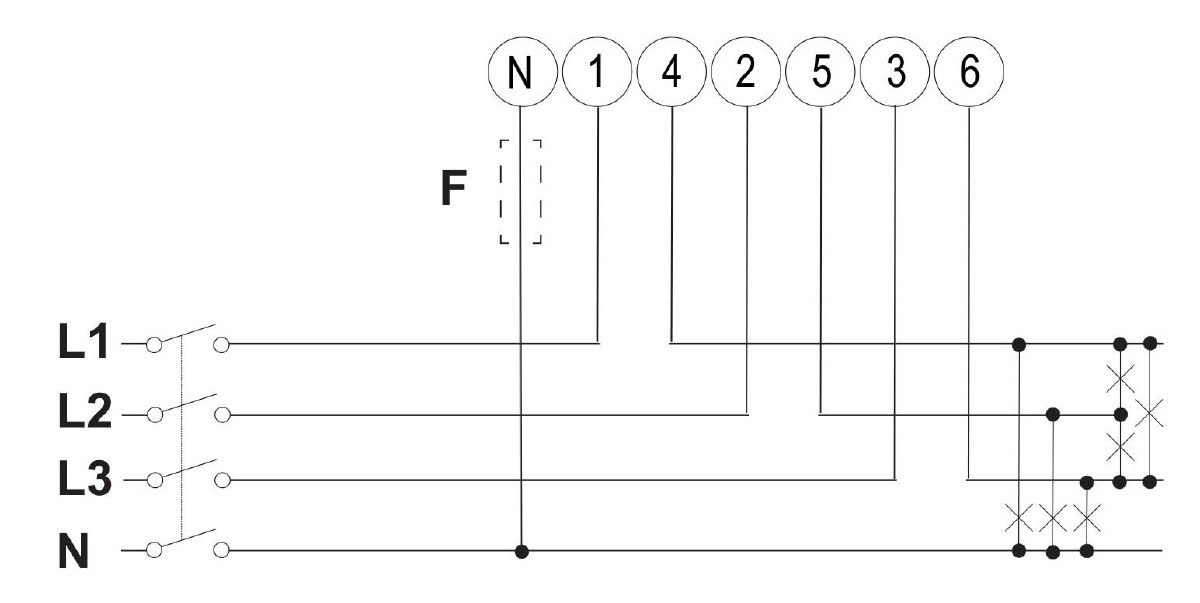
L’EM340 supporta tre tipi di sistema. Scegliere lo schema di cablaggio corrispondente all’installazione:
Trifase 4 fili (3Pn) — con neutro:

Trifase 3 fili (3P) — senza neutro:

Cablaggio RS-485
L’EM340 utilizza un’interfaccia RS-485 a 2 fili con morsetti A-, B+ e un morsetto T dedicato per la terminazione del bus sull’ultimo strumento della catena.

- A- (Data-) — collegare a B-/D- di TapHome RS-485
- B+ (Data+) — collegare a A+/D+ di TapHome RS-485
- T (Terminazione) — collegare A- a T sull’ultimo contatore nella daisy chain
| Parametro | Valore |
|---|---|
| Interfaccia | RS-485, 2 fili, half-duplex |
| Cavo | Coppia bilanciata AWG24, schermatura raccomandata, terzo filo per GND |
| Lunghezza max. cavo | 1000 m (con carico di 1/5 unità, ripetitore di segnale per distanze maggiori) |
| Max. dispositivi sul bus | 247 |
| Terminazione | Resistenza da 120 ohm a entrambe le estremità del bus; l’EM340 ha terminazione integrata tramite jumper A- su T sull’ultima unità |
| Topologia | Solo daisy chain |
Prestare attenzione all’etichettatura dei morsetti: Carlo Gavazzi usa A- per Data- e B+ per Data+. Collegare A- a TapHome B-/D- e B+ a TapHome A+/D+. La polarità invertita è una causa comune di errori di comunicazione.
Il GND deve essere collegato a terra solo sul lato master. Per connessioni bus superiori a 1000 m o reti con più di 160 strumenti, usare un ripetitore di segnale.
Configurazione
Impostazioni seriali Modbus
I parametri di comunicazione vengono configurati tramite il menu parametri sul pannello frontale del contatore (P14–P16) o tramite registri Modbus:
| Parametro | Valore predefinito | Registro Modbus |
|---|---|---|
| Baud rate | 9600 | H:2001 (valori: 1=9600, 2=19200, 3=38400, 4=57600, 5=115200) |
| Parità | Nessuna | H:2002 (1=nessuna, 2=pari) |
| Stop bit | 1 | H:2003 (0=1 stop, 1=1 stop predefinito, 2=2 solo se parità pari) |
| Indirizzo slave | 1 (intervallo 1–247) | H:2000 |
Il parametro SlaveId del template TapHome deve corrispondere all’indirizzo configurato sul contatore.
Modalità di misura
L’EM340F supporta la misurazione bidirezionale (modello PFB), che traccia la direzione del flusso di energia. In modalità bidirezionale:
- Valori di potenza positivi = potenza attiva importata (consumata)
- Valori di potenza negativi = potenza attiva esportata (prodotta)
- I contatori kWh(+) aumentano quando l’energia viene importata
- I contatori kWh(-) aumentano quando l’energia viene esportata
La modalità di misura viene impostata tramite il registro H:1103 (0=A, 1=B). Assicurarsi che il contatore sia configurato per la modalità di misura B (bidirezionale) se si necessita di monitoraggio separato import/export.
Tipo di sistema
La configurazione del sistema viene impostata tramite il parametro P6 (SYSEM) del pannello frontale o il registro H:1002:
| Tipo sistema | Codice | Descrizione |
|---|---|---|
| Trifase con neutro (3Pn) | 0 | Sistema trifase 4 fili — tutte le misure disponibili |
| Trifase senza neutro (3P) | 1 | Sistema trifase 3 fili |
| Bifase con neutro (2P) | 2 | Sistema bifase 3 fili |
Password
I parametri di configurazione sono protetti da password. La password predefinita è 0000. Inserire la password tramite il pannello frontale (P1) o scrivere nel registro H:1000 prima di modificare le impostazioni.
Funzionalità del dispositivo
Misura dell’energia di produzione (export)
Il template include un dispositivo contatore di energia dedicato (ModbusElectricityMeter) per la produzione totale:
- Produzione totale — legge l’energia attiva totale esportata dal registro H:274 (kWh) e la richiesta di potenza del sistema dal registro H:282 (kW), entrambi con un fattore di conversione ÷20.000
Tre sensori aggiuntivi monitorano l’energia di produzione per fase:
- Energia produzione L1 (kWh) — energia attiva esportata fase 1 dal registro H:064
- Energia produzione L2 (kWh) — energia attiva esportata fase 2 dal registro H:066
- Energia produzione L3 (kWh) — energia attiva esportata fase 3 dal registro H:068
Misura dell’energia di consumo (import)
Un secondo dispositivo contatore di energia monitora il consumo totale:
- Consumo totale — legge l’energia attiva totale importata dal registro H:278 (kWh) e condivide il registro di potenza H:282 (kW) con il contatore di produzione
Tre sensori monitorano l’energia di consumo per fase:
- Energia consumo L1 (kWh) — energia attiva importata fase 1 dal registro H:096
- Energia consumo L2 (kWh) — energia attiva importata fase 2 dal registro H:098
- Energia consumo L3 (kWh) — energia attiva importata fase 3 dal registro H:100
Formato dati e scalatura
Tutti i registri usano il formato INT32 con peso del valore kWh*10 (il valore grezzo è 10 volte i kWh effettivi). Il template applica un divisore ÷20.000 al valore grezzo INT32, che tiene conto sia della scalatura ×10 che di un fattore aggiuntivo. Verificare le letture rispetto al display del contatore dopo l’installazione.
I registri di consumo per fase (H:096–H:100) sono documentati nel protocollo di comunicazione come “solo serie ET”. Il template TapHome li include per l’EM340F — verificare che questi registri restituiscano dati validi sul proprio contatore specifico. Se restituiscono zero, il firmware del contatore potrebbe non supportare la suddivisione del consumo per fase.
Funzionalità aggiuntive
L’EM340 espone anche registri per la tensione per fase (L-N e L-L), corrente, potenza attiva/apparente/reattiva, power factor, frequenza, totali di sistema, misure THD, contatori di energia basati su tariffe (tariffa 1 e tariffa 2), contatori di energia parziale (azzerabili), picco di domanda, sequenza di fase e contatore delle ore di funzionamento. Questi possono essere aggiunti in un futuro aggiornamento del template.
L’EM340 supporta una funzione di verifica della connessione (parametro P7 / InbALL) che verifica il cablaggio corretto controllando la sequenza di tensione e i segnali di corrente. Abilitarla dopo l’installazione per confermare che il contatore sia cablato correttamente.
Risoluzione dei problemi
Nessuna comunicazione tramite Modbus RTU
- Verificare la polarità del cablaggio RS-485: EM340 A- si collega a TapHome B-/D-, EM340 B+ si collega a TapHome A+/D+
- Controllare la terminazione del bus: collegare A- a T sull’ultimo contatore e assicurare una terminazione da 120 ohm sul lato TapHome
- Confermare la corrispondenza delle impostazioni seriali: 9600 baud, nessuna parità, 1 stop bit (predefinito)
- Verificare l’indirizzo slave — il
SlaveIdTapHome deve corrispondere all’indirizzo del contatore (parametro P14 / registro H:2000) - Controllare il timing Modbus: l’EM340 ha un tempo di risposta di 500 ms — assicurarsi che il master consenta un timeout sufficiente
Le letture dell’energia mostrano zero
- Controllare la modalità di misura — il registro H:1103 deve essere impostato su B (bidirezionale) per il monitoraggio separato import/export
- Verificare che il tipo di sistema (P6 / H:1002) corrisponda alla configurazione di cablaggio effettiva
- Per i registri di consumo per fase (H:096–H:100): questi potrebbero non essere disponibili in tutte le versioni del firmware EM340F — verificare se il contatore visualizza il consumo per fase sul pannello frontale
- Confermare che sia collegato un carico o una generazione effettiva e che il display del contatore mostri valori diversi da zero
Le letture appaiono errate o con scalatura sbagliata
- Il template usa una conversione ÷20.000. Se le letture sono esattamente 2× troppo alte o basse, il rapporto CT/VT sul contatore potrebbe non essere impostato a 1. Controllare i registri H:1003 (rapporto CT) e H:1005 (rapporto VT) — entrambi dovrebbero essere 10 (= 1,0) per la connessione diretta
- Confrontare la lettura TapHome con il display del pannello frontale del contatore per identificare la discrepanza di scalatura
- L’ordine delle parole per i valori INT32 è LSW→MSW (parola bassa per prima). Se i valori appaiono corrotti, verificare la configurazione dell’ordine byte/parola
L’EM340 supporta fino a 50 registri per richiesta Modbus. Il template TapHome interroga 8 dispositivi a un intervallo di 1,5 secondi, richiedendo una larghezza di banda minima del bus.