Instalace a návody
Postup instalace integrovaného tepelného čerpadla LG od TapHome — odpovědnosti, zapojení Modbus, DIP přepínače a instalační návody.
Odpovědnosti před instalací
- TapHome partner dodává: akumulační a TÚV zásobník, distribuční box, rozvaděč nebo předkonfigurované moduly
- LG partner dodává a instaluje: tepelné čerpadlo, expanzní nádobu a magnetický filtr. Rovněž zapojuje (ale nedodává) distribuční box, akumulační zásobník a TÚV zásobník
Důležitost podlahových teploměrů
Podlahové teploměry jsou nezbytné pro správnou regulaci v zónách. Díky nim je možné:
- Prodloužit životnost termohlavic — udržováním v mezipoloze se snižuje jejich opotřebení
- Předcházet podchlazení v topné sezóně — pokud zákazník zapne krb, prostorová teplota stoupne, což způsobí ochlazení podlahy. Protože náběh podlahového vytápění trvá 4 až 8 hodin, bez podlahového teploměru by se ráno probudil do podchlazené místnosti. S podlahovým teploměrem systém udržuje podlahu na temperační úrovni i během topení krbem
- Efektivní chlazení v létě — podlahové teploměry umožňují jemně snížit teplotu podlahy (přibližně o 2 °C oproti teplotě vzduchu) a příjemně podchladit dům bez nepříjemného foukání. V případě zvýšení relativní vlhkosti (např. před bouřkou nebo při vaření) systém hlídá, aby se podlaha neorosila
Kontrola před objednávkou
Před potvrzením objednávky je třeba se ujistit, že se všechny komponenty vejdou do technické místnosti: akumulační a TÚV zásobník, split jednotka, distribuční box, rozvaděč a expanzní nádoba.
Expanzní nádoba
Expanzní nádoba není součástí balení — je třeba s ní počítat při plánování umístění v technické místnosti. Systém před připojením do podlahy (bez TÚV zásobníku) má objem vody přibližně 500 litrů a maximální teplotu 80 °C.
Postup instalace
- Uchytit distribuční box s rozvaděčem na stěnu. Jsou propojeny kabely, proto je vhodné umístit je vedle sebe.
- Akumulační a TÚV zásobníky ideálně umístit co nejblíže k distribučnímu boxu.
- Zapojit rozvaděč podle schématu zapojení:
- 2 trojcestné ventily a oběhové čerpadlo z distribučního boxu
- spirálu v akumulačním zásobníku (a případně i v TÚV zásobníku)
- 4x NTC teploměr z TÚV a akumulačního zásobníku
- Připojit LG Modbus na TapHome sběrnici (viz níže)
- V rámci rozvaděče je i 12LED/OC modul předkonfigurovaný na ovládání 24 VDC termoelektrických hlavic. Tento modul musí být použit na ovládání zónového vytápění, protože je na něm nahraná konfigurace pro správné ovládání zón.
Zapojení Modbus
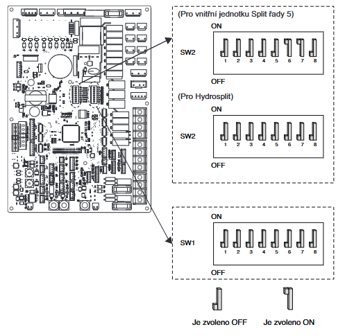
Před nastavením DIP přepínače vždy vypněte napájení. Zabráníte tak úrazu elektrickým proudem.
Modbus se aktivuje přepnutím SW1 na vnitřní jednotce — DIP 1 a DIP 2 přepínačů do polohy ON.

Propojení komunikace
LG vnitřní jednotka se připojuje na terminál BUS 2 řídicí jednotky TapHome. Na vnitřní jednotce se používá svorkovnice č. 1, sloty 21 a 22 (3RD PARTY CONTROLLER).



Adresa Modbus
Adresu Modbus není potřeba měnit, pokud se na sběrnici BUS 2 zapojuje pouze tepelné čerpadlo. Funkce nastavení adresy Modbus je dostupná na vnitřní jednotce — v seznamu instalačních nastavení vyberte položku Adresa Modbus a stisknutím tlačítka OK přejděte na obrazovku s podrobnostmi.

DIP 4 na SW2 — chlazení
Pro správné fungování chlazení je potřeba dát DIP 4 přepínač na SW2 do polohy ON. Bez tohoto nastavení TapHome nebude schopen správně regulovat tepelné čerpadlo.

